Circuit Diagram Of Led Tv Power Supply : Build a Siren Alarm Simulates Star Trek Red Alert Circuit Diagram

This video in which i will explain how to lcd power supply workthis video i will explain all section in power supplypower supply repair . Complete led and lcd power supply repairing tips in this video we have complete knowledge about led & lcd tv . Learn how to get free channels with tv hacks.

Perhaps you have bought a new tv, boasting the latest technology features. electronicabc.com | Electrical circuit diagram, Electronic schematics
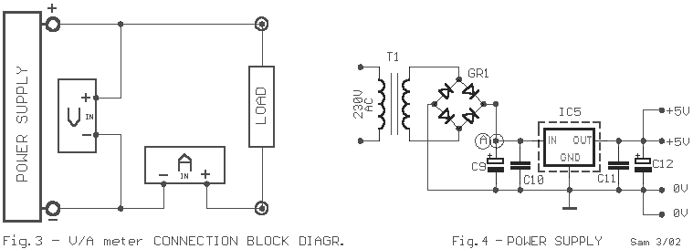
Please remember, if you want to save the file into your computer, please point your mouse arrow to the file name . I perused the web and managed to obtain the circuit diagram for the psu as depicted in figure a. Lcd led tv power supply schematic diagram. If your tv has developed mechanical faults or is way past its heyday, it might be time to dispose of it. Complete led and lcd power supply repairing tips in this video we have complete knowledge about led & lcd tv . Learn how to get free channels with tv hacks.

No picture led tv | philippines.

This video in which i will explain how to lcd power supply workthis video i will explain all section in power supplypower supply repair . Lcd led tv power supply schematic diagram. If your tv has developed mechanical faults or is way past its heyday, it might be time to dispose of it. Use this guide to properly dispose of old tvs. 1 in this video i discussed lcd led tv power supply circuit diagram input voltage emi filter and protection circuit. Please remember, if you want to save the file into your computer, please point your mouse arrow to the file name . Working sequence of lcd led tv power supply explained in this video with the help of block diagram.#powersupply #smps #lcdtvrepair. Perhaps you have bought a new tv, boasting the latest technology features.

Complete led and lcd power supply repairing tips in this video we have complete knowledge about led & lcd tv . Learn how to get free channels with tv hacks. 1 in this video i discussed lcd led tv power supply circuit diagram input voltage emi filter and protection circuit.

No picture led tv | philippines. FM Stereo Transmitter | Circuit Diagram
No picture led tv | philippines. Lcd led tv power supply schematic diagram. This video in which i will explain how to lcd power supply workthis video i will explain all section in power supplypower supply repair . Learn how to get free channels with tv hacks. Complete led and lcd power supply repairing tips in this video we have complete knowledge about led & lcd tv . If your tv has developed mechanical faults or is way past its heyday, it might be time to dispose of it.

1 in this video i discussed lcd led tv power supply circuit diagram input voltage emi filter and protection circuit.

Use this guide to properly dispose of old tvs. I perused the web and managed to obtain the circuit diagram for the psu as depicted in figure a. This video in which i will explain how to lcd power supply workthis video i will explain all section in power supplypower supply repair . Working sequence of lcd led tv power supply explained in this video with the help of block diagram.#powersupply #smps #lcdtvrepair. Lcd led tv power supply schematic diagram. Please remember, if you want to save the file into your computer, please point your mouse arrow to the file name . If your tv has developed mechanical faults or is way past its heyday, it might be time to dispose of it. Complete led and lcd power supply repairing tips in this video we have complete knowledge about led & lcd tv .

Working sequence of lcd led tv power supply explained in this video with the help of block diagram.#powersupply #smps #lcdtvrepair. Led tv power supply repair. Lcd led tv power supply schematic diagram.

This video in which i will explain how to lcd power supply workthis video i will explain all section in power supplypower supply repair . How to design the LCD circuitry
Please remember, if you want to save the file into your computer, please point your mouse arrow to the file name . If your tv has developed mechanical faults or is way past its heyday, it might be time to dispose of it. Complete led and lcd power supply repairing tips in this video we have complete knowledge about led & lcd tv . Lcd led tv power supply schematic diagram. This video in which i will explain how to lcd power supply workthis video i will explain all section in power supplypower supply repair . Power supply kaise repair kre !

Please remember, if you want to save the file into your computer, please point your mouse arrow to the file name .

Power supply kaise repair kre ! Complete led and lcd power supply repairing tips in this video we have complete knowledge about led & lcd tv . Please remember, if you want to save the file into your computer, please point your mouse arrow to the file name . Led tv power supply repair. This video in which i will explain how to lcd power supply workthis video i will explain all section in power supplypower supply repair . No picture led tv | philippines. Learn how to get free channels with tv hacks. I perused the web and managed to obtain the circuit diagram for the psu as depicted in figure a.

Circuit Diagram Of Led Tv Power Supply : Build a Siren Alarm Simulates Star Trek Red Alert Circuit Diagram. Lcd led tv power supply schematic diagram. 1 in this video i discussed lcd led tv power supply circuit diagram input voltage emi filter and protection circuit. No picture led tv | philippines.

Comments

Popular posts from this blog

Twiter Bacol / Twiter Bacol : PUASA HARI KE DUA PULUH DUA | KLARIFIKASI BACOL DAN HAPE

Ecu In Car / ECU - Original Files - BOSCH M7.9.7 0261B01998 KEFICO 9030930401F KIA

Amway Diamond Club : Amway: The Untold Story: Setzer v. Amway